


来源:客家新闻网
12月2日,国家市场监督管理总局(国家标准化管理委员会)发布2025年第33号公告,批准《脐橙》(GB/T 21488-2025)等261项推荐性国家标准。

《脐橙》(GB/T 21488-2008)国家标准于2008年8月1日发布实施,对规范脐橙的种植生产、规格划分、包装销售等方面起到了重要指导作用。随着我国经济社会的快速发展,对标准进行修订是适应产业发展内在需求、顺应水果标准体系整体升级、对接更严格的食品安全规范以及与国际标准接轨的必然选择和迫切需求。
《脐橙》(GB/T 21488-2025)国家标准由赣州市果业发展中心牵头,联合赣州市柑桔科学研究所、赣南师范大学、中华全国供销合作总社济南果品研究所起草编写,是《脐橙》国家标准的第一次修订。该标准于2025年12月2日发布,2026年7月1日实施。
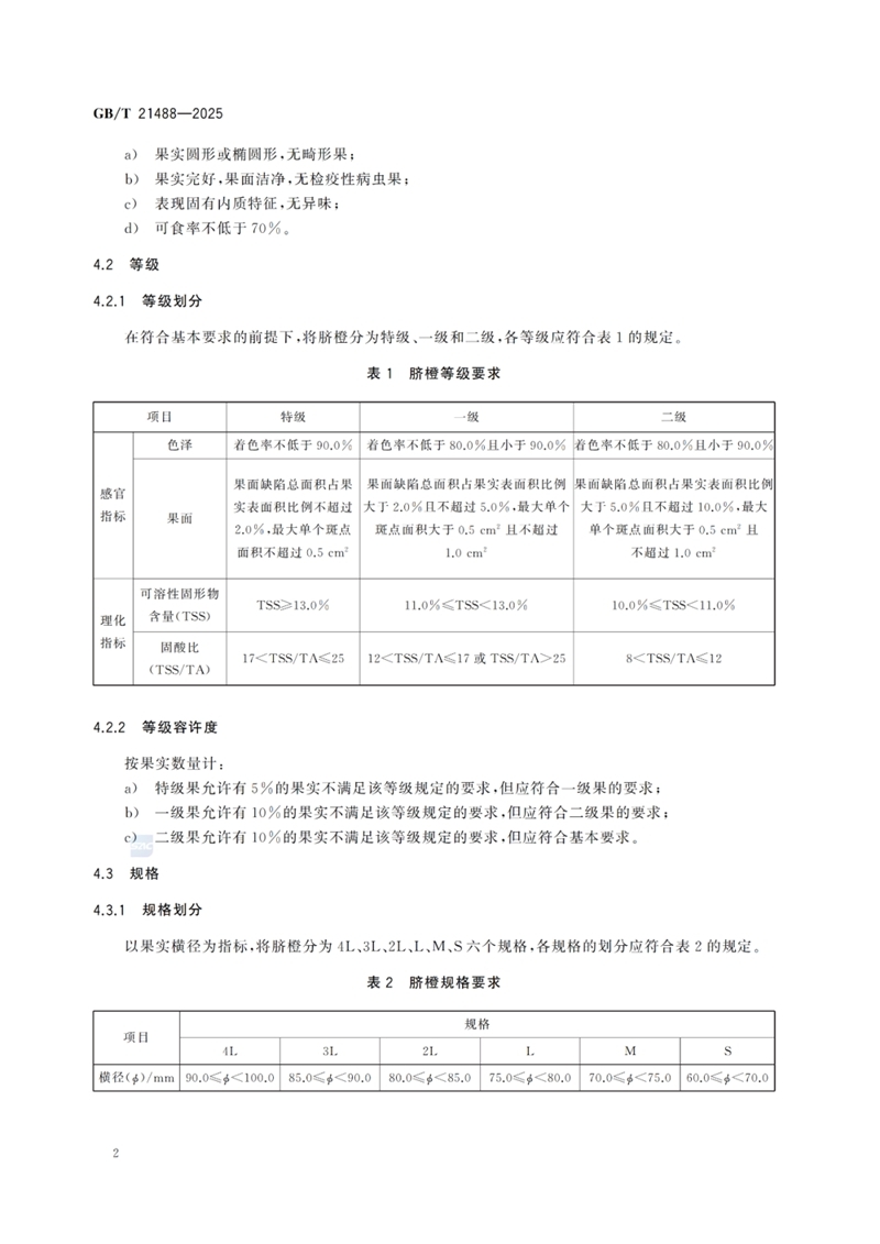
具体内容如下





来源:赣州果业发展中心